Today’s blog is the sixth in our series of posts where we share drawings for the White Horse CAD Wobbler Engine. This week we will look at the Wobbler Engine main support. The second part of the second sub-assembly.

Next week we will look at the main bearing, which supports the flywheel and counterbalance shaft.

Let’s look at some of the support features in more detail. If you would like to refer to the PDF engineering drawing, click here… P9999-13102_Rev1. You may notice this drawing has two sheets…

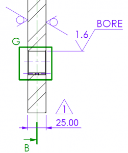
The main support is the backbone of the engine. It supports the piston block and the main shaft bearings. For the engine to work as intended, it is essential that the plate is flat and sits perpendicular to the base. We have controlled both of these features using geometric tolerances.

Flatness is important for smooth running. If this part is not flat, the piston will not slide freely in the piston block. The tolerance shown here allows the plate to have a MAXIMUM out of the flat error of 0.075mm. The entire front surface must fall within two imaginary planes that are 0.075mm apart. If any part of the surface falls outside these two planes, the part is outside of specification.

The main support is designed to be manufactured from ground flat stock, also known as gauge plate. The view on the right shows two “machining prohibited” surface finish symbols. If the correct material is used, it will not be necessary to machine the front or rear face. We have also added a drawing note reference to the thickness dimension.

Disclaimer
This project has never been made. For that reason, White Horse CAD cannot offer any warranty or guarantee that the plans can be used to build a working engine.
This series of engineering drawings demonstrate capability in using SolidWorks. If anyone manufactures a version of this engine, White Horse CAD shall not be held responsible for errors or omissions in the drawings
.

Don’t miss the next in the series … sign up here
Have a project you would like to discuss?… Contact us here

Categories: 3D Design